
产品展示
您当前位置:首页 > 产品展示| ZKC307信号转换隔离器 | |
![]() 功能
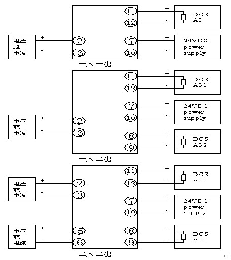
接收各种直流电压或电流信号,经过隔离转换后,变为
用户所需的各种电压或电流信号,输出到DCS或PLC。
可选1入1出、1入2出(即信号分配)、2入2出。
型号规格及代码
![]() 工作条件
工作温度:0~50℃ 存储温度:-40~85℃
相对湿度:10~90%RH 大气压力:86~106kPa
MSC307 信号转换隔离器
技术指标
输入阻抗:电流输入,≤100Ω
电压输入,≥500kΩ
输出负载:电流输出,≤350Ω
电压输出,≥5kΩ
转换精度:±0.2%F.S
温度漂移:±0.015% F.S/℃
绝缘强度:输入/输出/电源,≥1500VAC(1min)
绝缘电阻:输入/输出/电源,≥100MΩ(500VDC)
工作电源:24VDC±10%,功耗≤2.5W
安装方法 外形尺寸图35mm导轨卡装;主机与底座可以插拔分离 120mm*95mm*23mm
![]() 应用接线图
![]() |
|